Conversemos aquí
Llámanos aquí
Productos
Aisladores
NUESTROS PORTAFOLIOS DE PRODUCTOS ESTÁN EN CONSTANTE CRECIMIENTO

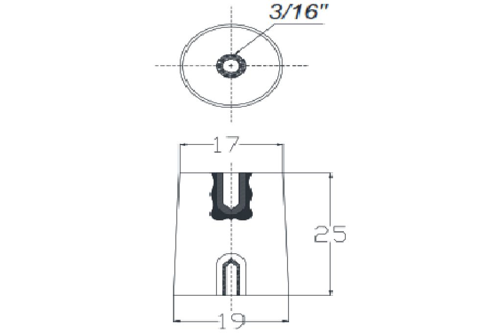
AISLADOR T-25M

AISLADOR T-25M

El Aislador T-25M es la solución ideal para garantizar un aislamiento confiable y seguro en sistemas eléctricos de baja tensión. Diseñado para resistir las demandas de entornos industriales y comerciales (de uso interior), este aislador ofrece una protección sólida y duradera, construido para resistir y aislar eficientemente corrientes de hasta 600 voltios

 

Cumple con las normativas y estándares de seguridad eléctrica, brindando tranquilidad y confianza en su uso en una amplia gama de aplicaciones.

 

(REF: 1000-2000)

PRINCIPALES CARACTERÍSTICAS

  • Peso: 15 gr
  • Flamabilidad: V0
  • Altura: 25 mm
  • Tension de trabajo: 600 V
  • Seguridad: Cumple con normas (IEC 273 e IEC 660)

     (Ver ficha técnica)

PRINCIPALES APLICACIONES

  • Aisladores para seccionadores
  • Aisladores para pasamuros
  • Bujes para tapas de transformadores
  • Soportes para CCM
  • Aisladores de diseño especial

En Colfibras estamos listos para asesorarte y brindarte un excelente servicio.

Compartir en sus redes sociales

Algunos de nuestros clientes